15937364555
13837351268
首页 > 新闻资讯
news center

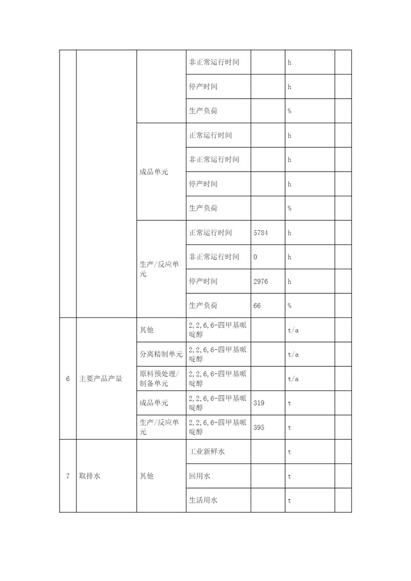
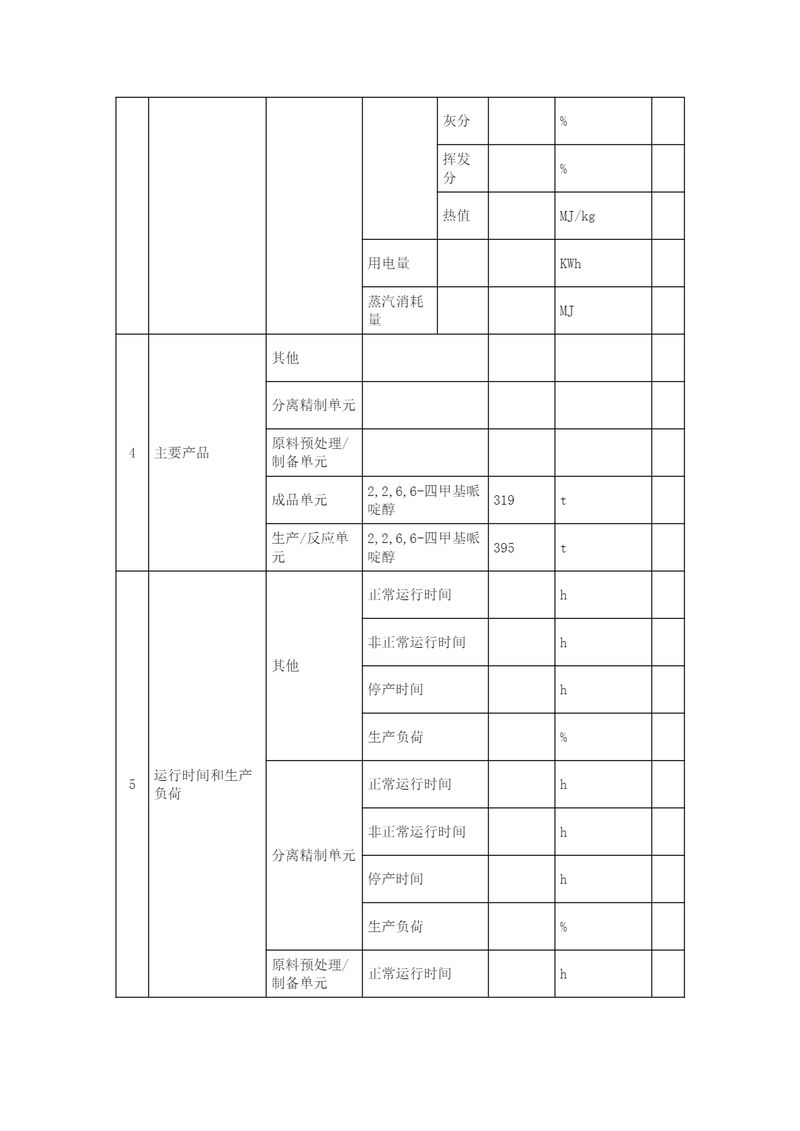
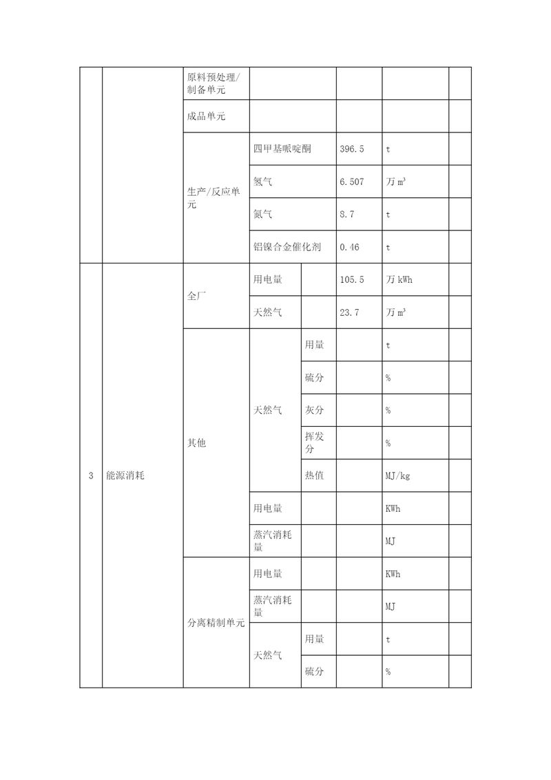
2023排污许可证执行报告年报

发布时间:2024-02-27   浏览:6297次

image-1

image-2

image-3

image-4

image-5

image-6

image-7

image-8

image-9

image-10

image-11

image-12

image-13

image-14

image-15

image-16

image-17

image-18

image-19

image-20

image-21

上一篇:没有了